Schémas et photos d'un amplificateur linéaire de 2 KW à tubes 3-500Z
Schema's en foto's van een 2 KW lineaire versterker met 3-500Z buizen

Circuits de commande
Controlcircuits
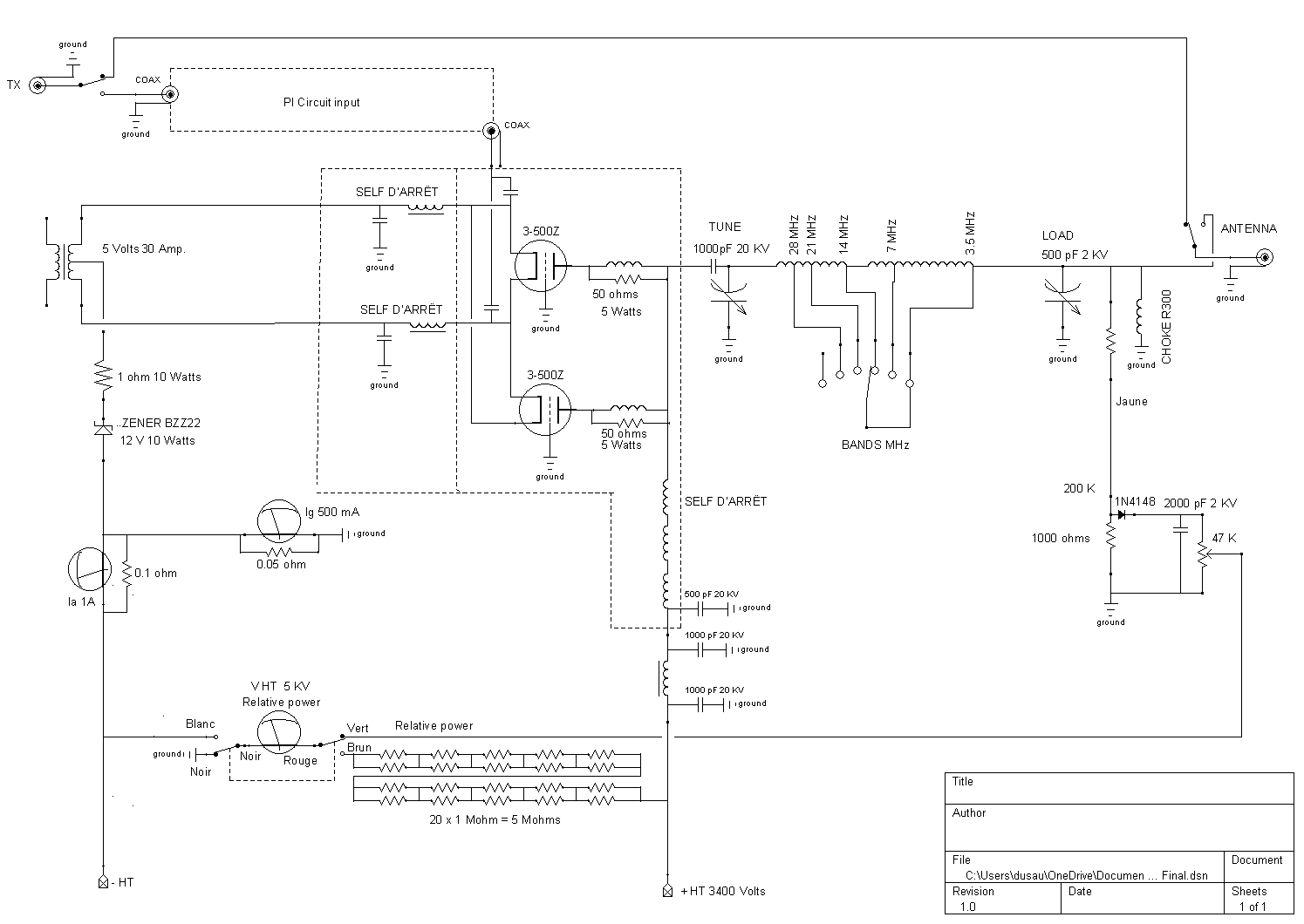
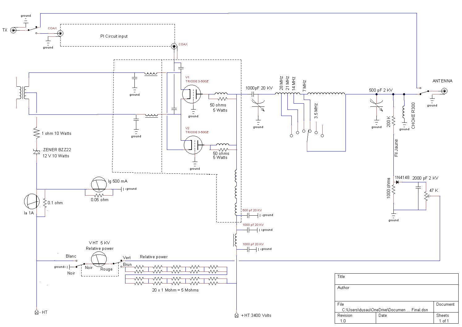
schéma

schema
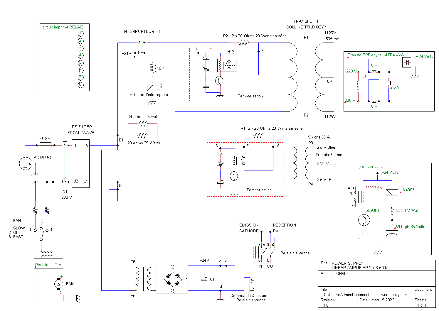
Haute tension
Hoogspanning
schéma
schema
CV TUNE vidéo de 3 secondes montrant ce qui arrive avec un interlame insuffisant et un vieux CV sale
Tableau avec les distances entre lames en fonction de la tension de crête
Video van 3 seconden die laat zien wat er gebeurt met onvoldoende tussenlamp en een vuile oude CV
Tabel met afstanden tussen de bladen als functie van de piekspanning
Le circuit APC sur anode (Anti Parasitic Choke)

Het APC circuit op anode
anti-vhf sur les anodes (vidéo de 15 sec, regardez les 2 dernières secondes)
anti-VHF op de anodes (15 sec video, bekijk de laatste 2 seconden)
Livre de Peter Rodmell G3ZRS
Book van Peter Rodmell G3ZRS
AMPLIFIERS (original version in english) 308 pages (41 MB)
Etage final avec deux tubes 3-500Z
Eindtrap met twee 3-500Z buizen
schéma

schema
Circuits d'entrée de l'amplificateur
Versterkeringangscircuits
schéma

schema
Montage d'amplificateurs linéaires publié par la RSGB en 2003
Assemblage van lineaire versterkers gepubliceerd door de RSGB in 2003
Un article très complet, une bible pour les amplis linéaires montés avec deux tubes  3-500Z (39 pages en français, traduction ON6LF)

Een zeer uitgebreid artikel, een bijbel voor lineaire versterkers gemonteerd met twee 3-500Z buizen
 A very comprehensive article, a bible for linear amps mounted with two 3-500Z valves (original version in English)
Les tubes d'émission
De emissiebuizen
article reprenant presque tous les tubes d'émission au-dessus du modèle 6146 (en anglais) page 44 et 45 pour le tube 3-500Z
artikel over bijna alle emissiebuizen boven het 6146 model (in het Engels) pagina 44 en 45 voor de 3-500Z buis
Autorisation 1500 Watts
Machtiging 1500 Watt
Licence ON6LF
Licentie ON6LF

Cliquez sur les images pour agrandir
Klik op afbeeldingen om te vergroten
assemblage du cadre
het frame monteren
assemblage des coins
hoekmontage
perçage des coins avec un calibre
hoekboren met een kaliber
réalisation de deux pièces identiques
twee identieke onderdelen maken
agrandir à la hauteur souhaitée
vergroten tot de gewenste hoogte

en cours de montage
in aanbouw
vue latérale
zijaanzicht
vue en dessous
bekijk hieronder
transformateur  filament
gloeidraadtransformator
partie Haute Tension
Hoogspanningsgedeelte

Self d'arrêt sur Haute Tension
Hoogspanningssmoorspoel
Le commutateur de puissance HF
De HF aan/uit-schakelaar
>1000 Watts   retour (sur antenne)
>1000 watt     terug (op antenne)
two mounted sockets sockets drawing
socket info socket info diode, Capacitor, shunt, polarisation Anode CAP  model HR6 Choke R300 National
3-500Z data sheet making meter layout with Word 3-500Z 3-500Z grid pin broken mandrin d'un circuit d'entrée
chuck van een ingangscircuit


bloc d'entrée ancienne version
oude versie invoerblok
bloc d'entrée à relais en cours de montage
Relais Ingangsblok wordt geassembleerd

Face avant
Voorpaneel
Vue arrière (en cours de montage)
Achteraanzicht (tijdens montage)
Vue latérale (en cours de montage)
Zijaanzicht (tijdens montage)